Home PageLocomotivesFreightPassengerNYC TimetablesScenes along the Right of WayStations and BuildingsNYC MapsOther stuff on the CASO and NYCLinks to Other NYC related sitesCanada Southern Website Search

Locomotives of the Canada Southern

 

 

 ASSIGNMENTS OF LOCOMOTIVES ON THE CANADA SOUTHERN - FEBRUARY 25, 1893

CLICK HERE FOR CHART

 

 LOCOMOTIVES ASSIGNED TO THE CASO - 1948

 

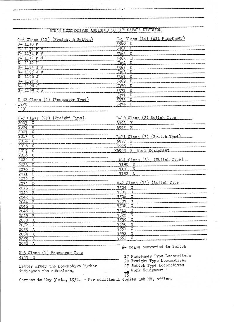
G-6j: 1112, 1113, 1114, 1115, 1116, 1117

G-6p: 1130, 1131, 1132, 1133

G-6u: 1142(out of service)

F-82: 1290, 1291

H-7b: 2036, 2042, 2043, 2044, 2046, 2048, 2049

H-7a: 2050, 2051, 2052, 2053, 2054, 2055, 2058

H-7c: 2003(out of service) 2004, 2007, 2013, 2014, 2016, 2017, 2018, 2022

H-7d 2026, 2030), 2031, 2032(2-20-56), 2034

K-3h: 4643(out of service), 4644(out of service)

K-3n: 4749, 4750, 4756

J-1d: 5360, 5361, 5362, 5363, 5364, 5365, 5366, 5367, 5369, 5370, 5371, 5372, 5373, 5374

B-10n: 6991

B-10x: 6992, 6993, 6994, 6995

B-11b: 6997, 6998(out of service), 6999

M-1: 7190, 7191, 7192

U-2c: 7504, 7505, 7506, 7507, 7508, 7550, 7551, 7552, 7553

U-2e: 7511, 7522

U-2g 7539

 

Gas Motors:

M-202( out of service), M-406, M-408

 

LOCOMOTIVES ASSIGNED TO THE CASO - May 31, 1952

 

LOCOMOTIVES ASSIGNED TO THE CASO - April 30, 1955

 

G-6j: 1194, 1196, 1197, 1198, 1199

G-6p: 1130, 1131, 1132

G-6u: 1142

F-82: 1290, 1291

H-7b: 2042, 2043, 2046, 2049

H-7a: 2050, 2053, 2058

H-7c: 2003, 2007, 2013, 2016, 2017, 2018, 2022

H-7d 2030, 2032, 2034

J-1d: 5374

B-10x: 6993, 6995

B-11b: 6997

U-2c: 7504, 7505, 7506, 7507, 7508, 7550, 7551, 7552, 7553

U-2e: 7511, 7522

U-2g 7539

 

Locomotive Facilities on the Canada Southern - based on 1943 documents

Locomotive Water & Coal Sources

COAL

Fargo, Montrose, St.Thomas, Victoria Yard, Waterford and Windsor

 

WATER

Edward, Essex, Fargo, Forks Creek (track pans), Leamington, Montrose, Petrolia, Ridgetown, St.Thomas, Tilbury (water pans), Tilsonburg (water pans), Victoria, Waterford (water pans), Welland, West Lorne (water pans) and Windsor

 

Details of sale of Track Pan Facilities

 

 

Engine Facilities

 

Courtright - 1 stall enginehouse - 64' in length

Leamington - 1 stall enginehouse - 64' in length

Montrose - 20 stall roundhouse - 17 stalls 97'8" in length - 3 stalls 114'8" in length.. Turntable = 85' Balanced

St.Thomas - 40 stall roundhouse - 33 stalls 98' in length - 7 stalls 115'10" in length. Turntable = 85' Balanced

Victoria Yard - 10 stall roundhouse - 91' in length. Turntable = 100' 3 Point

Windsor - 29 stall roundhouse - 20 stalls 97'10" in length - 6 stalls 112'9" in length -3 stalls 133'3" in length. Turntable = 100' 3 Point